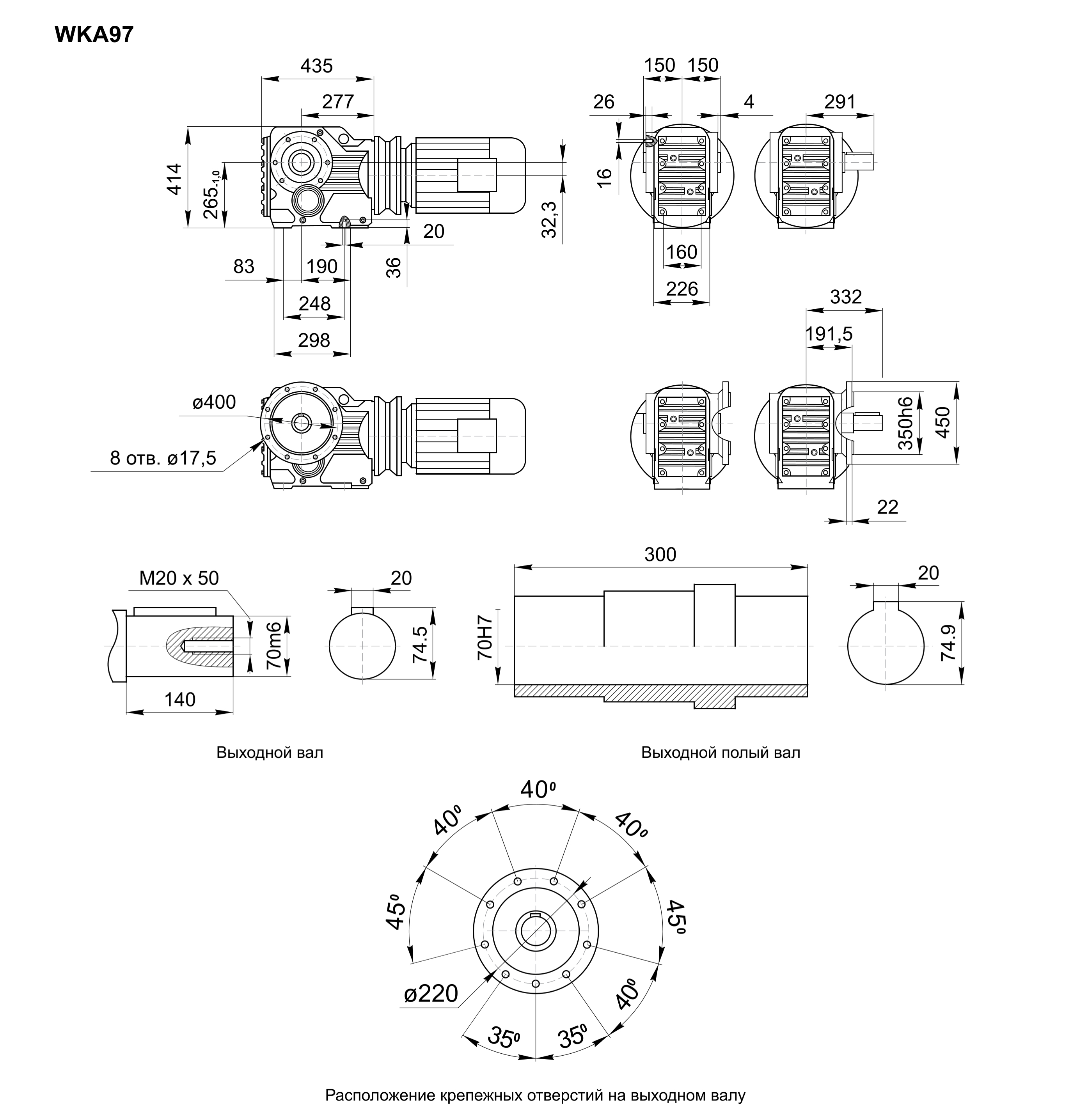
Мотор-редуктор WK97-WR37-Y 0,75KW-4P-743-M5-90°
| Мощность, кВт | 0.75 |
| Частота вращения выходного вала, об/мин | 1.9 |
| Сервис-фактор | 1.25 |
| Передаточное число | 743 |
| Мощность, кВт | 0.75 |
| Частота вращения выходного вала, об/мин | 1.9 |
| Сервис-фактор | 1.25 |
| Передаточное число | 743 |
| Крутящий момент, Н*м | 3430 |
| Радиальная нагрузка, Н | 40000 |
Обозначения для WK
WKF47 Y 0,37 4P 71,30 M2 270
WKF47 тип и габаритный размер редуктора
Y 0,37 тип и мощность электродвигателя
4P кол-во полюсов двигателя ( 2, 4, 6, 8)
71,30 передаточное отношение
M2 расположение редуктора в пространстве (М1 – М6)
270 угол разворота клеммной коробки электродвигателя

Поделиться:












