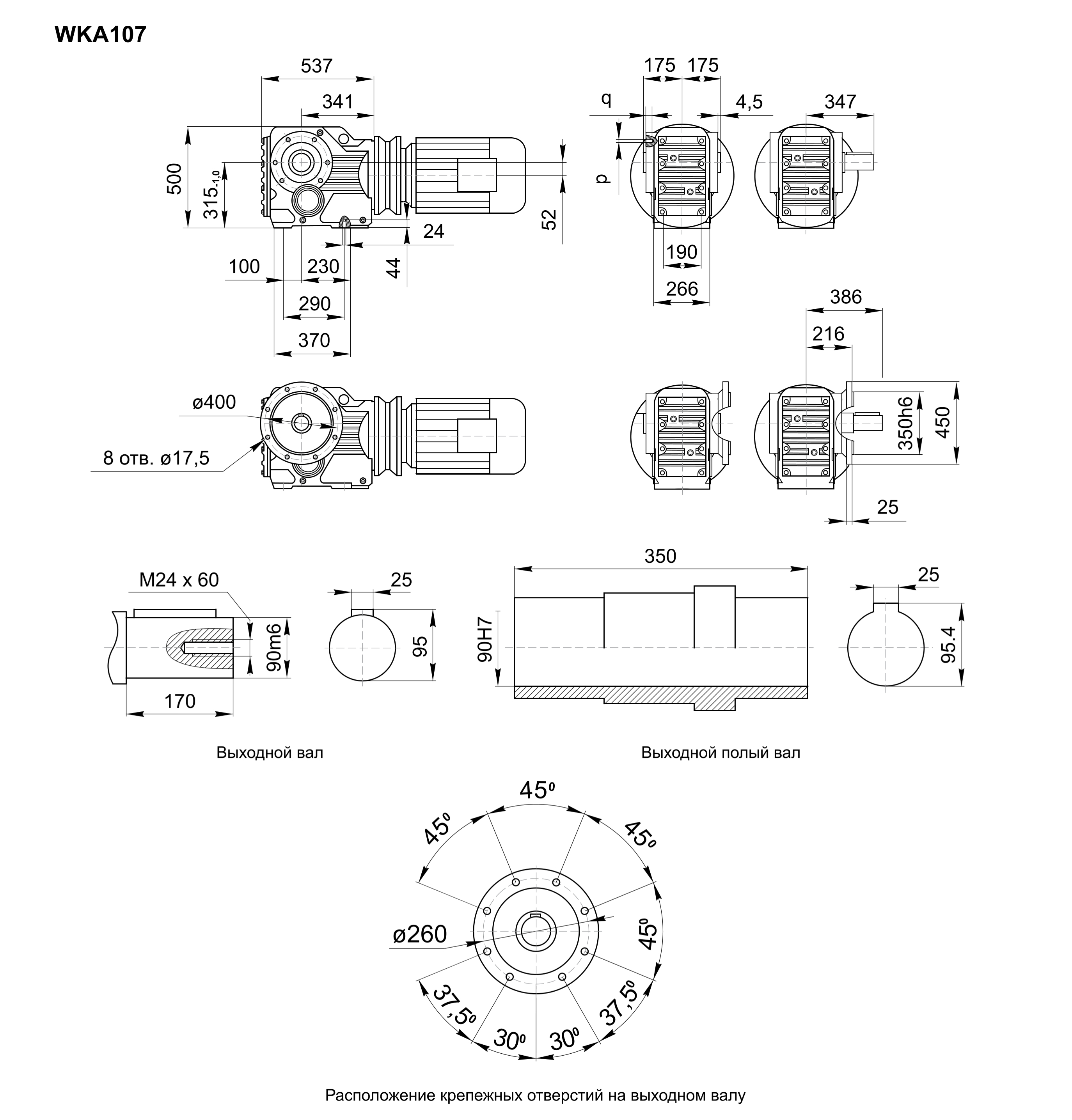
Мотор-редуктор WKAF107-Y 7,5KW-4P-42,33-M2-В-270°
| Мощность, кВт | 7.5 |
| Частота вращения выходного вала, об/мин | 34 |
| Сервис-фактор | 3.5 |
| Передаточное число | 42.33 |
| Мощность, кВт | 7.5 |
| Частота вращения выходного вала, об/мин | 34 |
| Сервис-фактор | 3.5 |
| Передаточное число | 42.33 |
| Крутящий момент, Н*м | 2120 |
| Радиальная нагрузка, Н | 55500 |
Обозначения для WK
WKF47 Y 0,37 4P 71,30 M2 270
WKF47 тип и габаритный размер редуктора
Y 0,37 тип и мощность электродвигателя
4P кол-во полюсов двигателя ( 2, 4, 6, 8)
71,30 передаточное отношение
M2 расположение редуктора в пространстве (М1 – М6)
270 угол разворота клеммной коробки электродвигателя

Поделиться:












